8 (925) 663-83-63Call-центр
пн-вс: 10:00-19:00
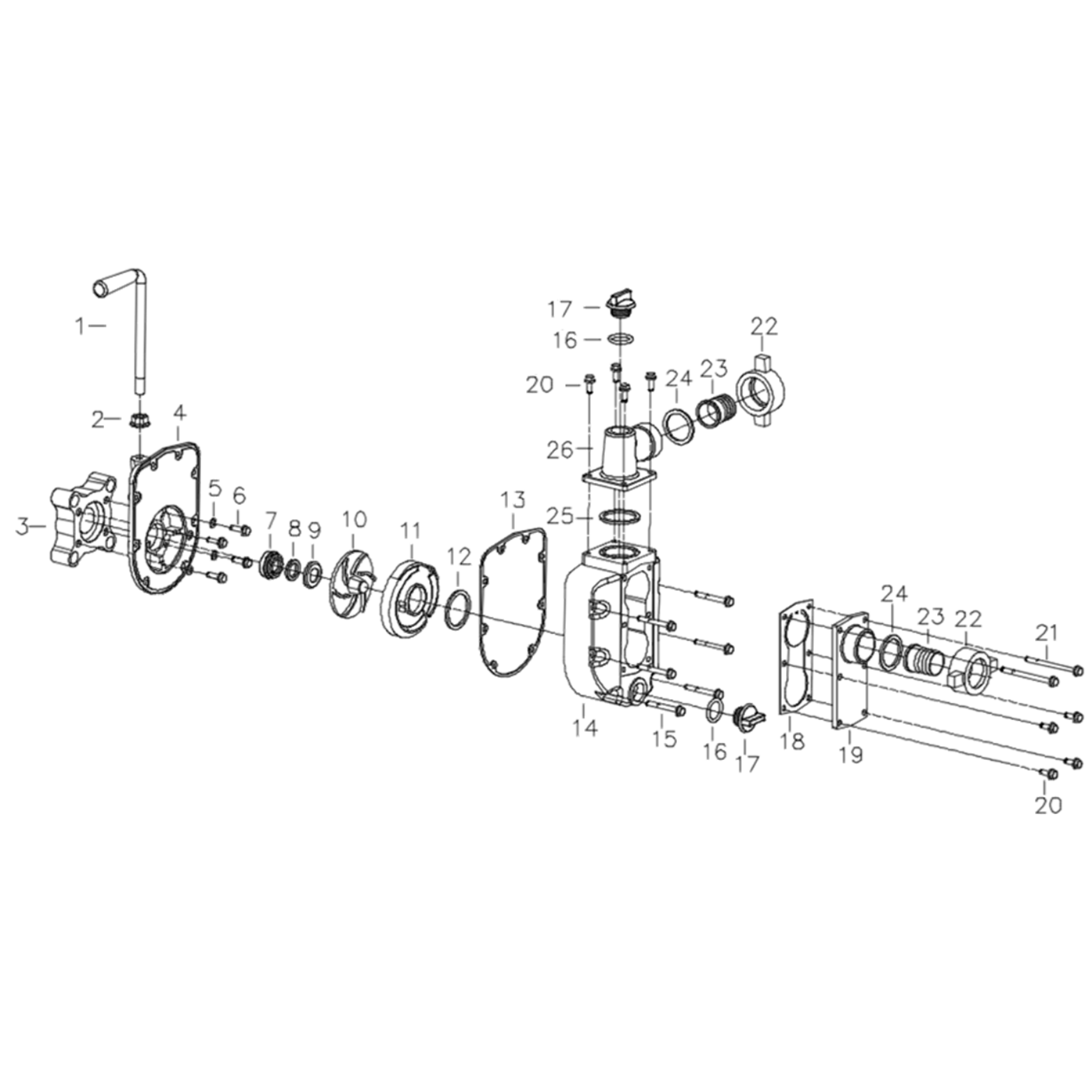
Данная модель имеет несколько схем
| N | Артикул | Название | Срок отгрузки | Цена | Купить |
| 1.1 | N000-028-432 | Рукоятка | – | ||
| 1.10 | N000-028-435 | Колесо рабочее | 891 р. | ||
| 1.11 | N000-028-436 | Аппарат направляющий | – | ||
| 1.12 | N000-028-437 | Прокладка | – | ||
| 1.13 | N000-028-448 | Прокладка | – | ||
| 1.14 | N000-028-438 | Корпус насоса | – | ||
| 1.16 | N000-028-449 | Кольцо уплотнительное | – | ||
| 1.17 | N000-028-439 | Заглушка | – | ||
| 1.18 | N000-028-444 | Клапан обратный | – | ||
| 1.19 | N000-028-445 | Фланец патрубка всасывающего | – | ||
| 1.22 | N000-028-443 | Гайка накидная | – | ||
| 1.23 | N000-028-442 | Штуцер елочка | – | ||
| 1.24 | N000-028-451 | Прокладка | – | ||
| 1.25 | N000-028-441 | Прокладка | – | ||
| 1.26 | N000-028-440 | Патрубок нагнетающий | – | ||
| 1.3 | N000-028-446 | Фланец | – | ||
| 1.4 | N000-028-447 | Крышка насоса | – | ||
| 1.7 | N000-028-452 | Сальник керамический (правая часть) | – | ||
| 1.8 | N000-028-453 | Кольцо керамического сальника | – | ||
| 1.9 | N000-028-450 | Кольцо резиновое керамического сальника | – | ||
| 2.1 | N000-028-269 | Цилиндр D52 | – | ||
| 2.11 | N000-028-369 | Трубка сапуна | – | ||
| 2.12 | N000-028-628 | Магнето H=71 h=56 d=32 L=240 | 1.138 р. | ||
| 2.17 | N000-020-134 | Болт M6x12 | – | ||
| 2.18 | N000-028-503 | Шпилька | – | ||
| 2.19 | N000-028-502 | Шпилька | – | ||
| 2.21 | N000-028-619 | Сальник D30хd17х6 | 64 р. | ||
| 2.23 | N000-028-523 | Прокладка | – | ||
| 2.25 | N000-028-515 | Штифт | – | ||
| 2.28 | N000-028-429 | Свеча зажигания E5TC | 216 р. | ||
| 2.3 | N000-028-256 | Головка цилиндра | – | ||
| 2.4 | N000-028-253 | Прокладка головки цилиндра | – | ||
| 2.5 | N000-028-270 | Основание | – | ||
| 2.6 | N000-028-258 | Крышка клапанная | – | ||
| 2.7 | N000-028-257 | Сепаратор | – | ||
| 2.8 | N000-028-259 | Прокладка клапанной крышки | – | ||
| 2.9 | V000-002-687 | Датчик уровня масла поплавковый | 1.321 р. | ||
| 3.1 | N000-028-272 | Крышка картера | – | ||
| 3.10 | N000-020-217 | Болт M6x28 | – | ||
| 3.11 | N000-028-265 | Пробка слива масла | – | ||
| 3.13 | N000-028-617 | Шайба D12.5xd17x1.0 | – | ||
| 3.19 | N000-028-514 | Шплинт | – | ||
| 3.2 | N000-028-263 | Прокладка картера | – | ||
| 3.20 | N000-009-927 | Подшипник шариковый 6203 открытый (40х17х12) C&U | 571 р. | ||
| 3.3 | N000-028-389 | Крышка-щуп маслозаливной горловины с прокладкой | – | ||
| 3.4 | N000-028-339 | Регулятор оборотов центробежный в сборе D43 d6 Z27 | 179 р. | ||
| 3.9 | N000-028-329 | Рычаг регулятора оборотов | – | ||
| 4.1 | N000-028-397 | Крыльчатка | 170 р. | ||
| 4.10 | N000-028-609 | Клипса 2x70 | – | ||
| 4.2 | N000-028-401 | Кожух маховика | – | ||
| 4.3 | N000-028-392 | Кожух | – | ||
| 4.4 | N000-028-399 | Чашка-храповик | – | ||
| 4.5 | N000-028-524 | Клипса | – | ||
| 4.6 | N000-028-322 | Маховик | – | ||
| 4.7 | V000-002-685 | Выключатель зажигания | 179 р. | ||
| 4.9 | N000-028-519 | Шпонка | – | ||
| 5.1 | N000-028-639 | Кольца поршневые комплект D52 | – | ||
| 5.1-1 | N000-028-312 | Кольцо компрессионное | – | ||
| 5.1-2 | N000-028-308 | Кольцо компрессионное | – | ||
| 5.1-3 | N000-028-304 | Кольцо маслосъемное | – | ||
| 5.10 | N000-028-252 | Клапан выпускной | – | ||
| 5.11 | N000-028-275 | Толкатель (пара) | – | ||
| 5.12 | N000-028-243 | Пружина клапанная | – | ||
| 5.13 | N000-028-246 | Тарелка клапанная | – | ||
| 5.14 | N000-028-245 | Сухарь | – | ||
| 5.2 | N000-028-296 | Поршень D52 | – | ||
| 5.3 | N000-028-298 | Палец поршня | – | ||
| 5.4 | N000-028-300 | Кольцо стопорное | – | ||
| 5.5 | N000-028-286 | Шатун в сборе | – | ||
| 5.6 | N000-028-316 | Коленвал в сборе | – | ||
| 5.7 | N000-028-280 | Распредвал | – | ||
| 5.8 | N000-028-281 | Шестерня | – | ||
| 5.9 | N000-028-250 | Клапан впускной | – | ||
| 6.1 | N000-028-403 | Стартер в сборе | 1.065 р. | ||
| 6.10 | N000-028-424 | Направляющая храпового механизма | – | ||
| 6.11 | N000-028-405 | Рукоятка стартера | – | ||
| 6.12 | N000-028-407 | Шнур стартера | – | ||
| 6.13 | N000-028-426 | Пластина | – | ||
| 6.14 | N000-028-414 | Болт специальный | – | ||
| 6.2 | N000-028-420 | Корпус стартера | – | ||
| 6.3 | N000-028-416 | Шкив стартера | – | ||
| 6.4 | N000-028-422 | Кулачок | – | ||
| 6.5 | N000-028-425 | Ось стартера | – | ||
| 6.8 | N000-028-409 | Пружина сжатия | – | ||
| 6.9 | N000-028-411 | Пружина | – | ||
| 7.1 | N000-028-334 | Кулиса регулятора оборотов | – | ||
| 7.10 | N000-028-352 | Пружина | – | ||
| 7.12 | N000-028-499 | Болт специальный | – | ||
| 7.13 | N000-028-596 | Гайка барашек M5 | – | ||
| 7.2 | N000-028-332 | Пружина | – | ||
| 7.3 | N000-028-346 | Узел настройки оборотов | – | ||
| 7.4 | N000-028-353 | Рукоятка | – | ||
| 7.5 | N000-028-357 | Пластина | – | ||
| 7.7 | N000-028-356 | Рычаг | – | ||
| 7.8 | N000-028-354 | Скоба крепежная | – | ||
| 8.11 | N000-028-325 | Теплоизолятор | – | ||
| 8.12 | N000-028-367 | Прокладка паронитовая | – | ||
| 8.13 | N000-028-324 | Прокладка паронитовая | – | ||
| 8.14 | N000-028-365 | Прокладка | – | ||
| 8.15 | N000-028-525 | Тяга дроссельной заслонки | – | ||
| 8.16 | N000-028-526 | Пружина дроссельной заслонки | – | ||
| 8.8 | N000-028-338 | Карбюратор | 2.181 р. | ||
| 9.1 | N000-028-387 | Глушитель | – | ||
| 9.2 | N000-028-385 | Кожух передний | – | ||
| 9.3 | N000-028-383 | Кожух задний | – | ||
| 9.4 | N000-028-382 | Прокладка | – | ||
| 10.1 | N000-028-380 | Элемент фильтрующий воздушный | – | ||
| 10.2 | N000-028-375 | Решетка пластиковая | – | ||
| 10.3 | N000-028-378 | Корпус воздушного фильтра | – | ||
| 10.4 | N000-028-373 | Крышка воздушного фильтра | – | ||
| 10.6 | UM05-000-005 | Гайка M5 | 92 р. | ||
| 11.1 | N000-028-358 | Бензобак | 2.542 р. | ||
| 11.2 | N000-028-361 | Крышка топливного бака | – | ||
| 11.3 | N000-028-360 | Фильтр заливной горловины бака | – | ||
| 11.5 | N000-028-363 | Штуцер | – | ||
| 11.6 | N000-028-522 | Топливопровод | – |
| Найдено товаров: 116 |
|
8 (925) 663-83-63 Call-центр
пн-вс: 10:00-19:00
| Введите номер заказа |
| Введите номер своего заказа, что бы узнать его текущий статус. Что бы получить доступ к расширенным функциям, пройдите не сложную регистрацию. Зарегистрироваться |